哈尔滨中亚自动化仪表有限责任公司 HRBZYZY

主营产品
  • 国产
    合肥中亚
    PT变送器
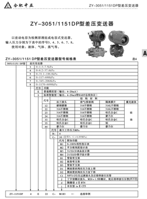
    ZY变送器
    温度传感器
    流量传感器
    智能仪表
    液位计
    昌辉仪表
    SWP-LCD
    AWP-LED
    SWP-20
  • 进口
    西门子
    PS2-西门子定位器
    超声波热量计
    超声波流量计
    电磁流量计
    阀门执行器
    法兰VVF40
    温度变送器
    压力变送器
    ABB
    266系列压力变送器
    变频器
0451-88371905
自动化仪表
关于我们

      哈尔滨中亚自动化仪表有限责任公司始建于2004年,从事自动化仪表销售,热网、电厂自动化控制工程。
      公司拥有合肥中亚仪表生产基地,生产TP系列、ZY系列变送器,电磁流量计,智能仪表等产品。
      公司代理ABB、西门子变送器等进口产品。
      公司代理昌辉SWP系列智能仪表和其他国内品牌仪表。

热门关键词:仪表 自动化 变送器 流量计 温度 智能 控制系统
大核心优势 您的放心之选
优秀的品质良好的信誉
01
实力雄厚 业界标杆
STRONG YEARS OF INDUSTRY EXPERIENCE
       1、我们公司代理ABB、西门子等多家进口变送器,
       2、公司拥有合肥中亚仪表生产基地,生产PT系列、ZY系列压力变送器,电磁流量计、智能仪表等产品。
       3、公司代理昌辉SWP系列仪表。
02
产品齐全 满足用户需求
www.hrbzyzy.com
我公司负责现场安装,调试,满足各种用户需求。

03
品质保证质量稳定可靠
WWW.HRBZYZY.ICOC.BZ

       公司的生产基地合肥中亚仪表公司生产PT系列、ZY系列变送器、智能仪表、电磁流量计、温度传感器等产品。
       代理ABB、西门子等进口变送器、变频器等设备。
       为用户提供优质国产、进口产品。
04
贴心售后 终身技术支持
TECHNICAL SUPPORT FOR AFTER-SALES SERVICE
        公司有专门的客服人员24小时接听客户的来电咨询,并有专业的团队免费上门为客户进行场景策划,并对施工现场设计测量,与客户商讨解决方案
       公司提供技术人员上门探讨设计方案,从专业角度,从方案探讨到初步的设计,到后期装修效果,及施工过程中的出现一系列问题。为客户解决一切后顾之忧
地址:黑龙江省哈尔滨市香坊区旭升街58-1号 电话:0451-88371905 邮箱:hyl80950@163.com