哈尔滨中亚自动化仪表有限责任公司 HRBZYZY

主营产品
  • 国产
    合肥中亚
    PT变送器
    ZY变送器
    温度传感器
    流量传感器
    智能仪表
    液位计
    昌辉仪表
    SWP-LCD
    AWP-LED
    SWP-20
  • 进口
    西门子
    PS2-西门子定位器
    超声波热量计
    超声波流量计
    电磁流量计
    阀门执行器
    法兰VVF40
    温度变送器
    压力变送器
    ABB
    266系列压力变送器
    变频器
0451-88371905
自动化仪表
分享到:

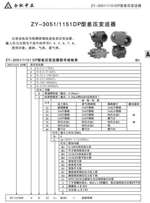
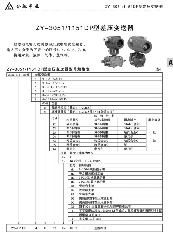
3051差压变送器

产品详情
品牌 合肥中亚 型号 DP
地址:黑龙江省哈尔滨市香坊区旭升街58-1号 电话:0451-88371905 邮箱:hyl80950@163.com